page 1
page 2
page 3
page 4 page 5
page 6
page 7
page 8
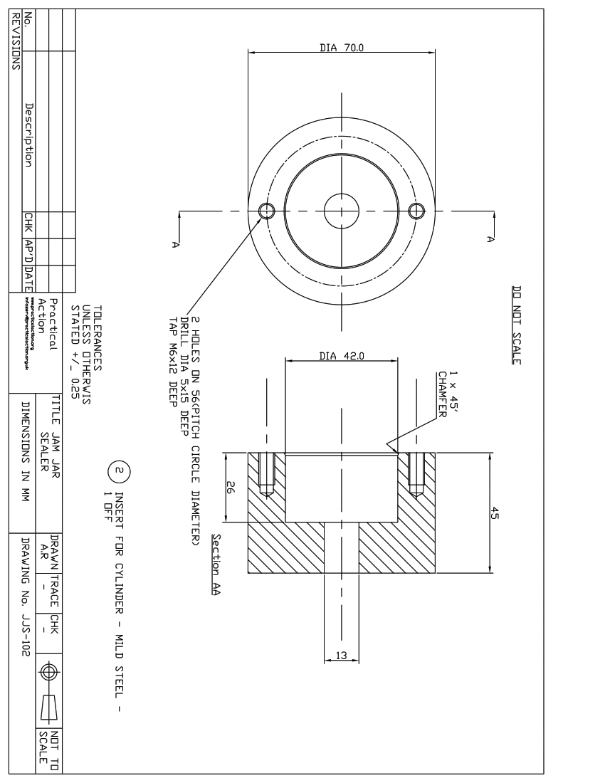
< prev - next > Food processing Preserves jam_jar_sealer (Printable PDF)