page 1 page 2
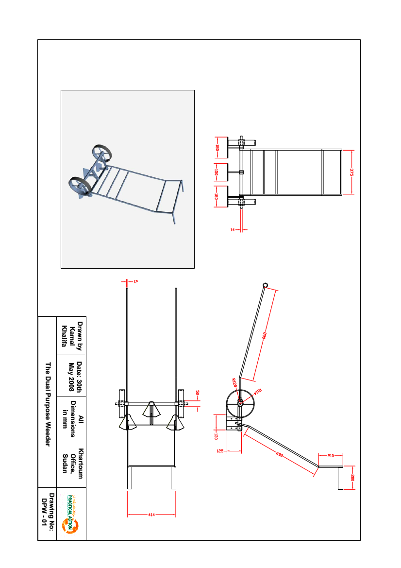
< prev - next > Agriculture Production technologies duel_purpose_weeder (Printable PDF)